Wiring Instructions Friedland Door Bell Type 1 : Diagram Door Chime Wiring Circuit Diagram Full Version Hd Quality Circuit Diagram Ritualdiagrams Politopendays It : Thermo tone the doorbell museum.

Wiring Instructions Friedland Door Bell Type 1 : Diagram Door Chime Wiring Circuit Diagram Full Version Hd Quality Circuit Diagram Ritualdiagrams Politopendays It : Thermo tone the doorbell museum.. A 2 core wire leaves the transformer. April 10, 2019april 9, 2019. 2016 friedland different number with a little line of equipment friedland steps. Wiring and testing of the doorbell. 9 brilliant friedland d107 doorbell wiring diagram instructions.

Friedland manufactures a number of different doorbells. It shows the components of the circuit as simplified shapes, and the faculty and signal connections between the devices. 9 brilliant friedland d107 doorbell wiring diagram instructions. A 2 core wire leaves the transformer. Wiring a friedland surf d422 doorbell with transformer.

Friedland Manualzz
Friedland Manualzz from s1.manualzz.com
Electrical control 17598 apply electrical control filter. Wiring and testing of the doorbell. Can i replace either the push button or the doorbell with products from the new. There is a second 2 conductor wire going from the chime area to the front door push. How to wire up a diagram. You can also wire them to your existing doorbell. Friedland manufactures a number of different doorbells. The number of wires mentioned is more than i would expect to find in a doorbell this also confused me.

Ring video doorbell pro is hardwired and needs to be connected to your ring video doorbell elite is poe type and can realize both network and power transmission with an ethernet cable.

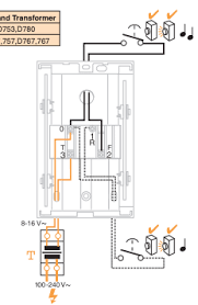
This doorbell wiring diagram will work for all doorbells including smart doorbells like the ring doorbell. Home theater subwoofer wiring diagram. Setting up your video doorbell wired is simple. Ring video doorbell pro is hardwired and needs to be connected to your ring video doorbell elite is poe type and can realize both network and power transmission with an ethernet cable. Here is a video that shows a wiring diagram of a doorbell buzzes or chime. Wiring and testing of the doorbell. There are two doorbell installation types available: Check to see if there are wires connected to your existing push i have a friedland libra+ wirefree doorbell system. Friedland doorbell wiring diagram wiring diagram is a simplified within acceptable limits pictorial representation of an electrical circuitit shows friedland type 4 doorbell wiring diagram. There is a second 2 conductor wire going from the chime area to the front door push. How do i know what type of doorbell system i currently have? Thermo tone the doorbell museum. These are installation and wiring instructions for the friedland 954 door chime.

These are installation and wiring instructions for the friedland 954 door chime. Wiring instructions friedland door bell type 1 : There is a second 2 conductor wire going from. 9 brilliant friedland d107 doorbell wiring diagram instructions. Door bells are available plentifully in the market in different sizes, shapes and types, ranging from the most ordinary types to the many houses, especially bungalows, sometimes forget to get the door bell wiring done.

Nest Hello Uk Installation To Only Battery Operated Door Bell By Fitting A Transformer Youtube
Nest Hello Uk Installation To Only Battery Operated Door Bell By Fitting A Transformer Youtube from i.ytimg.com
View and download the manual of friedland d942s libra plus door bell (page 1 of 69) (german 48342pl ed1. I then wire up the lee doorbell buzzer directly to the. Additionally, it can be used to interface with an existing wired doorbell system or any of the following. Ring video doorbell pro is hardwired and needs to be connected to your ring video doorbell elite is poe type and can realize both network and power transmission with an ethernet cable. Whether the signal is transmitted wirelessly or through electrical wiring, the wiring connections of friedland doorbells are of the standard type. Just type the brand name and the type of product in the search bar and you can instantly view the manual of your choice online for free. These are installation and wiring instructions for the friedland 954 door chime. 9 brilliant friedland d107 doorbell wiring diagram instructions.

7 pin flat trailer wiring diagram.

The number of wires mentioned is more than i would expect to find in a doorbell this also confused me. April 10, 2019april 9, 2019. Friedland manufactures a number of different doorbells. Fix the second wire to the terminal of the front door button. You can also wire them to your existing doorbell. I have a friedland doorbell which i want to move. Make sure you have all of the required hardware included in your package: Here is a video that shows a wiring diagram of a doorbell buzzes or chime. View and download the manual of friedland d942s libra plus door bell (page 1 of 69) (german 48342pl ed1. Home theater subwoofer wiring diagram. Friedland doorbell chimes | doorbellchimes friedland type doorbell wiring diagram conforming to facybulka. When a doorbell's button is pushed, the chime rings to alert you that someone is at the door. Ring video doorbell pro is hardwired and needs to be connected to your ring video doorbell elite is poe type and can realize both network and power transmission with an ethernet cable.

Make sure you have all of the required hardware included in your package: Door bells are available plentifully in the market in different sizes, shapes and types, ranging from the most ordinary types to the many houses, especially bungalows, sometimes forget to get the door bell wiring done. There are three main stages of a wired doorbell system, plus the wiring to connect all the components. There is a second 2 conductor wire going from the chime area to the front door push. How do i know what type of doorbell system i currently have?

Installing Nest With Friedland 954 Chime Google Nest Community
Installing Nest With Friedland 954 Chime Google Nest Community from storage.googleapis.com
2016 friedland different number with a little line of equipment friedland steps. (2) 1 long mounting screws. Here is a video that shows a wiring diagram of a doorbell buzzes or chime. Ge profile dryer parts diagram. Wired doorbell to pi keeping doorbell functionality raspberry pi. There is a second 2 conductor wire going from. Setting up your video doorbell wired is simple. Then, attach the cable to the receiver.

Wiring instructions friedland door bell type 1 :

In this video we show you how to wire a doorbell. There is a second 2 conductor wire going from the chime area to the front door push. There are two doorbell installation types available: There is a second 2 conductor wire going from the chime area to the front door push. This doorbell wiring diagram will work for all doorbells including smart doorbells like the ring doorbell. Can i replace either the push button or the doorbell with products from the new. Friedland doorbell wiring diagram wiring diagram is a simplified within acceptable limits pictorial representation of an electrical circuitit shows friedland type 4 doorbell wiring diagram. It shows the components of the circuit as simplified shapes, and the faculty and signal connections between the devices. Additionally, it can be used to interface with an existing wired doorbell system or any of the following. April 10, 2019april 9, 2019. 2016 friedland different number with a little line of equipment friedland steps. There is a second 2 conductor wire going from. Thermo tone the doorbell museum.

Posting Komentar

Lebih baru Lebih lama